【基板】2532-27512 変換基板 2枚セット/4枚セット
- 物販商品(自宅から発送)2枚セット支払いから発送までの日数:4日以内¥ 300
- 物販商品(自宅から発送)4枚セット支払いから発送までの日数:4日以内¥ 500
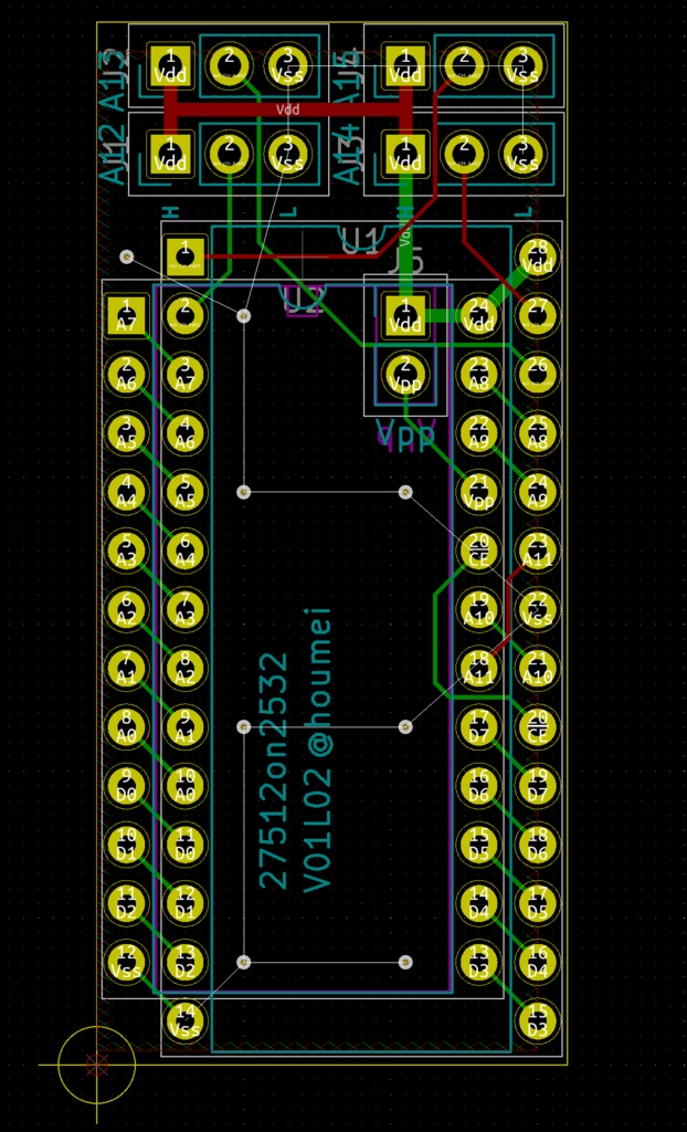
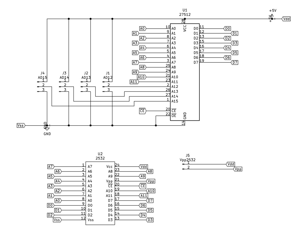
2732~27512タイプのROMを2532タイプのROMソケットに搭載できるように変換する基板です。逆方向の変換も可能で2732~27512対応のROMライタで2532タイプのROMを読み出せます。 詳細な説明は以下の記事をご参照ください。 http://blog.livedoor.jp/hardyboy/archives/10062917.html
2732~27512タイプのROMを2532タイプのROMソケットに搭載できるように変換する基板です。逆方向の変換も可能で2732~27512対応のROMライタで2532タイプのROMを読み出せます。
詳細な説明は以下の記事をご参照ください。
http://blog.livedoor.jp/hardyboy/archives/10062917.html









